UK flag
Hi, we also have an English version of our website!
please visit en.firstlight.nl
Nederlands Deutsch Francais English
0
   Winkelwagen

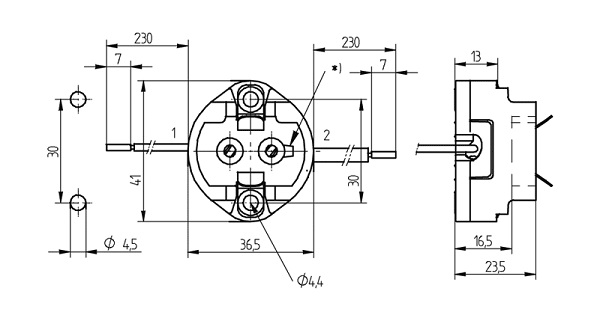
Ombouwfitting van Baro BFL Mini 3320 of 3321 naar SDW-TG lamp GX12-1

Artikel-nr.:
29103436

Nooit meer leverbaar


Eigenschappen
Geschikt voor SDW-TG Ja Geschikt voor SDW-TG lampen.
U kunt hier alleen lampen toepassen met het opgegeven vermogen en aantal. Andere combinaties werken niet.       
Lampvoet GX12-1 De soort voet of lamphouder van de lamp.
Merk Merkloos Is het product merkloos, dan hebben we hier geen vaste leverancier voor. De uitvoering kan hierdoor verschillen.
Omdoosverpakking 1

Het aantal stuks per omdoos. Om volle dozen van het artikel te bestellen, voegt u het in veelvouden van dit aantal toe aan uw winkelwagen.

Onderdeel Lamphouder Artikelen zijn ingedeeld per soort onderdeel.
Ombouwfitting van Baro BFL Mini 3320 of 3321 naar SDW-TG lamp GX12-1
voorzien van draden, eenvoudig uit te wisselen om de veel goedkopere Philips lampen toe te passen
Klik op details om de Philips lamp erbij te bestellen
Downloads Corrigeer artikelinformatie
Opmerking
Volledige naam
Telefoon
E-mailadres